Ваша корзина:

0

0,00 руб.

Каталог продукции
0

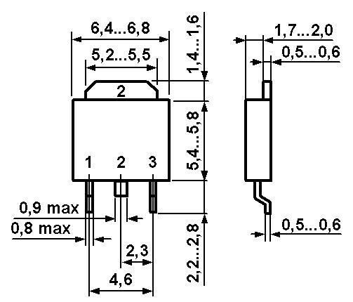
Транзистор STB7NK80Z, D2PAK/TO263

Код товара:
9481806
В наличии:
2 шт.
Этаж продажи товара:
2 этаж

Стоимость:

225,00 руб.

Количество

- +

Итого:

225,00 руб.

Вы так же можете заказать товар:

по телефону:

+7 (34145) 4-74-74

по электронной почте:

info@radiomarket.pro

Возможно вас заинтересует: